首页 > 知识点
       ALOHA协议
知识路径:  > 网络技术  > 局域网
考试要求:掌握      相关知识点:22个      
        ALOHA和它的后继者CSMA/CD都是随机访问或竞争发送协议。随机访问意味着对任何站都无法预计其发送的时刻;竞争发送是指所有发送的站自由竞争信道的使用权。
        ALOHA系统是20世纪70年代美国夏威夷大学的Norman Abramson(诺曼.艾布拉姆森)等人为他们的地面无线分组网设计的。这种系统中有多个站共享广播信道。假定所有站的数据业务特征具有明显的突发性,即大部分时间不发送数据,一旦有数据要发送,立即组织成帧以全部信道带宽的速率发送出去。在这种情况下,广播信道由所有站随机地使用,要发送的站不管其他站是否使用信道。可以说信道是完全随机分布控制的。
        当然,工作站完全独立而随机地使用信道会发生冲突,只要两个站发送的数据帧在时间上有1bit以上的重叠,都会使整个帧出错。幸好,发送站可以通过自发自收校验发现冲突,并随机延迟一段时间后重发冲突帧,如下图所示。可以看出这种协议的简单性:不需要接收站发回应答,甚至也不需要接收站进行差错校验(假若信道是理想的)。
        
        ALOHA系统工作原理
        这种简单系统的实用性取决于其工作效率。下面分析ALOHA系统的效率并找出改进的方法。
        为了简化讨论,假定:
        (1)无限多个站共享理想的(无差错)广播式信道,这样网络平均负载保持常数。
        (2)所有站发送的帧是等长的,一个帧时为tf
        (3)进入信道的帧数服从泊松分布,每个帧时内产生的帧数加上以前冲突需要重传的帧数之和的平均值为G(即信道负载)。根据泊松分布,在任一帧时内进入信道的帧数为K的概率是
        
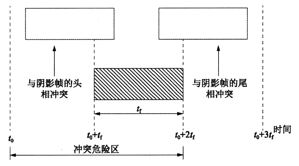
        (4)在完全随机发送的情况下,一个帧要能发送成功(不冲突),必须保证在当前帧发送的tf内和当前帧发送之前的区间tf内都没有其他(生成的或重传的)帧进入信道。换言之,冲突区间为2tf,如下图所示。
        
        ALOHA系统的冲突区间
        因而在2tf时间内成功发送一帧的概率等于前一个帧时内不发送和后一个帧时内只发送一帧的概率,即
        
        式(4-2)也表示系统的吞吐率,即单位时间内发送的帧数为
        
        为了求得最大吞吐率,令dS/dG=0,从而解得当G=0.5时,
        
        1972年,Robert发表了一种能把ALOHA系统吞吐率提高一倍的方法。他建议把时间划分成离散的时间间隔,每个间隔为tf,称为时槽。一个帧无论何时生成,都必须在时槽的起点上发送。这样为了一个帧成功地发送,只需保证在前一个时槽中只有此一个帧生成(或需要重传),于是冲突区间缩小为tf,式(4-2)简化为
        同时有
        
        当G=1时,得到系统的最大吞吐率
        
        为了区分,通常把这种系统称为分槽的ALOHA,前一种叫作纯ALOHA。两种系统效率(或信道利用率)与负载G的关系表示在下图中。为了进一步提高系统的信道利用率,需增加更多的功能,如载波监听功能,下面详细讨论。
        
        ALOHA系统中效率与负载的关系
 
 相关知识点:
 
软考在线指南
优惠劵及余额
在线支付
修改密码
下载及使用
购买流程
取消订单
联系我们
关于我们
联系我们
商务合作
旗下网站群
高级资格科目
信息系统项目管理师 系统分析师
系统架构设计师 网络规划设计师
系统规划与管理师
初级资格科目
程序员 网络管理员
信息处理技术员 信息系统运行管理员
中级资格科目
系统集成项目管理工程师 网络工程师
软件设计师 信息系统监理师
信息系统管理工程师 数据库系统工程师
多媒体应用设计师 软件评测师
嵌入式系统设计师 电子商务设计师
信息安全工程师
 

本网站所有产品设计(包括造型,颜色,图案,观感,文字,产品,内容),功能及其展示形式,均已受版权或产权保护。
任何公司及个人不得以任何方式复制部分或全部,违者将依法追究责任,特此声明。
本站部分内容来自互联网或由会员上传,版权归原作者所有。如有问题,请及时联系我们。


工作时间:9:00-20:00

客服

QQ 486577830

点击这里给我发消息

商务合作

QQ 486577830

点击这里给我发消息

客服邮箱service@rkpass.cn


京B2-20210865 | 京ICP备2020040059号-5 |京公网安备 11010502032051号 | 营业执照 | Copyright ©2000-2026 All Rights Reserved 软考在线版权所有