首页 > 知识点
       通用输入/输出接口
知识路径:  > 嵌入式系统硬件基础知识  > 嵌入式系统I/O  > GPIO、PWM接口的基本原理与结构
考试要求:掌握      相关知识点:22个      
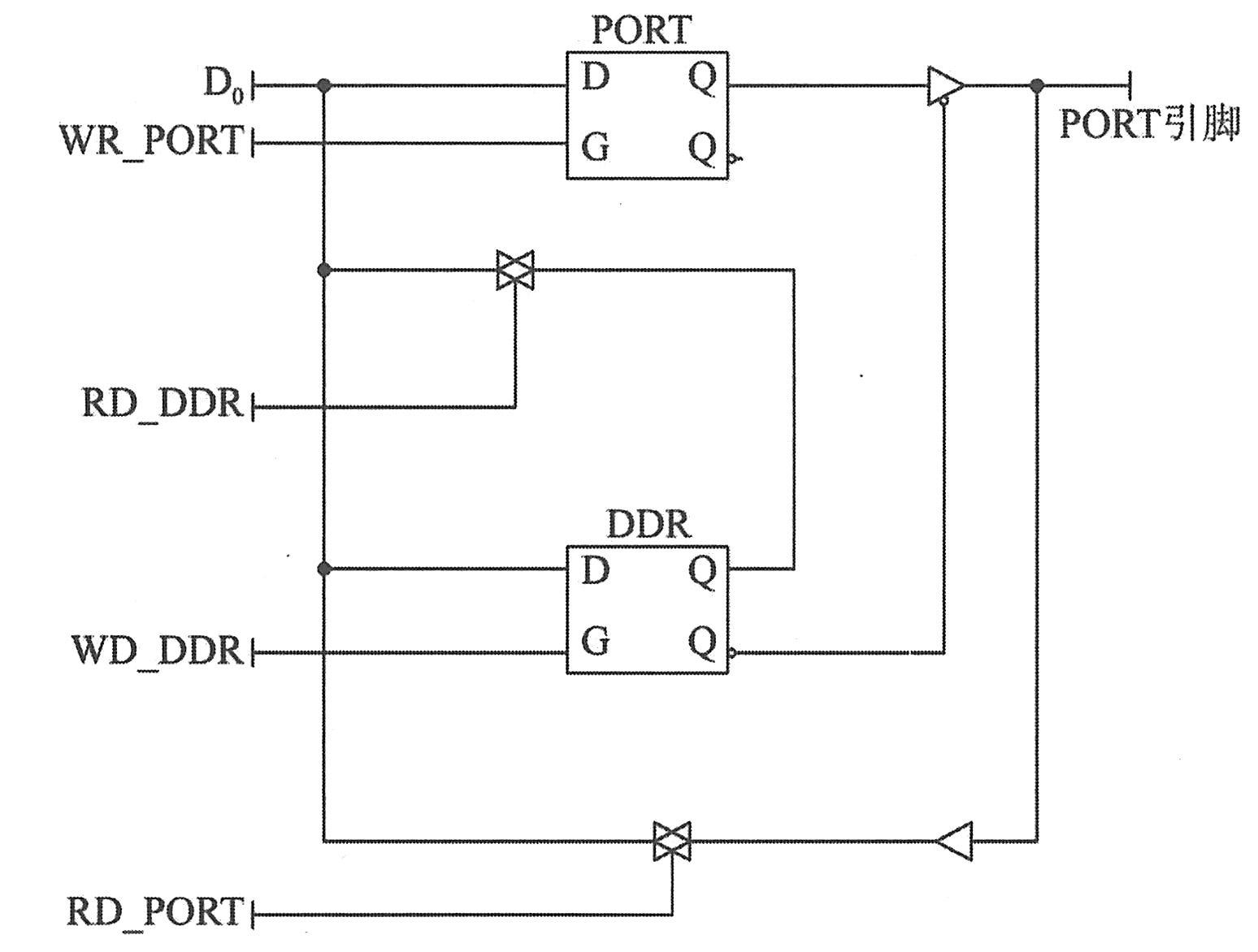
        通用输入/输出接口GPIO(General Purpose I/O,通用I/O)是I/O的最基本形式。它是一组输入引脚或输出引脚,CPU对它们能够进行存取。有些GPIO引脚能加以编程而改变工作方向。GPIO的另一传统术语称为并行I/O(parallel I/O)。如下图所示为双向GPIO端口的简化功能逻辑图。为简化图形,仅画出GPIO的第0位。图中画出两个寄存器:数据寄存器PORT和数据方向寄存器DDR。
        
        双向GPIO端口的简化功能逻辑图
        数据方向寄存器(Data Direction Register,DDR)设置端口的方向。若该寄存器的输出为1,则端口为输出;若该寄存器的输出为零,则端口为输入。DDR状态能够用写入该DDR的方法加以改变。DDR在微控制器地址空间中是一个映射单元。这种情况下,若要改变DDR,则需要将恰当的值置于数据总线的第0位即D0,同时激活WR_DDR信号。读取DDR单元,就能读得DDR的状态,同时激活RD_DDR信号。
        若将PORT引脚置为输出,则PORT寄存器控制着该引脚状态。若将PORT引脚设置为输入,则此输入引脚的状态由引脚上的逻辑电路层来实现对它的控制。对PORT寄存器的写入,将激活WR_PORT信号。PORT寄存器也映射到微控制器的地址空间。需指出,即使当端口设置为输入时,若对PORT寄存器进行写入,并不会对该引脚发生影响。但从PORT寄存器的读出,不管端口是什么方向,总会影响该引脚的状态。
 
 相关知识点:
 
软考在线指南
优惠劵及余额
在线支付
修改密码
下载及使用
购买流程
取消订单
联系我们
关于我们
联系我们
商务合作
旗下网站群
高级资格科目
信息系统项目管理师 系统分析师
系统架构设计师 网络规划设计师
系统规划与管理师
初级资格科目
程序员 网络管理员
信息处理技术员 信息系统运行管理员
中级资格科目
系统集成项目管理工程师 网络工程师
软件设计师 信息系统监理师
信息系统管理工程师 数据库系统工程师
多媒体应用设计师 软件评测师
嵌入式系统设计师 电子商务设计师
信息安全工程师
 

本网站所有产品设计(包括造型,颜色,图案,观感,文字,产品,内容),功能及其展示形式,均已受版权或产权保护。
任何公司及个人不得以任何方式复制部分或全部,违者将依法追究责任,特此声明。
本站部分内容来自互联网或由会员上传,版权归原作者所有。如有问题,请及时联系我们。


工作时间:9:00-20:00

客服

QQ 486577830

点击这里给我发消息

商务合作

QQ 486577830

点击这里给我发消息

客服邮箱service@rkpass.cn


京B2-20210865 | 京ICP备2020040059号-5 |京公网安备 11010502032051号 | 营业执照 | Copyright ©2000-2026 All Rights Reserved 软考在线版权所有