首页 > 知识点
       水厂工控安全集中监控
知识路径:  > 网络信息安全概述  > 网络信息安全目标与功能  > 工控安全需求分析与安全保护工程  > 工控系统安全综合应用案例分析
考试要求:熟悉      相关知识点:6个      
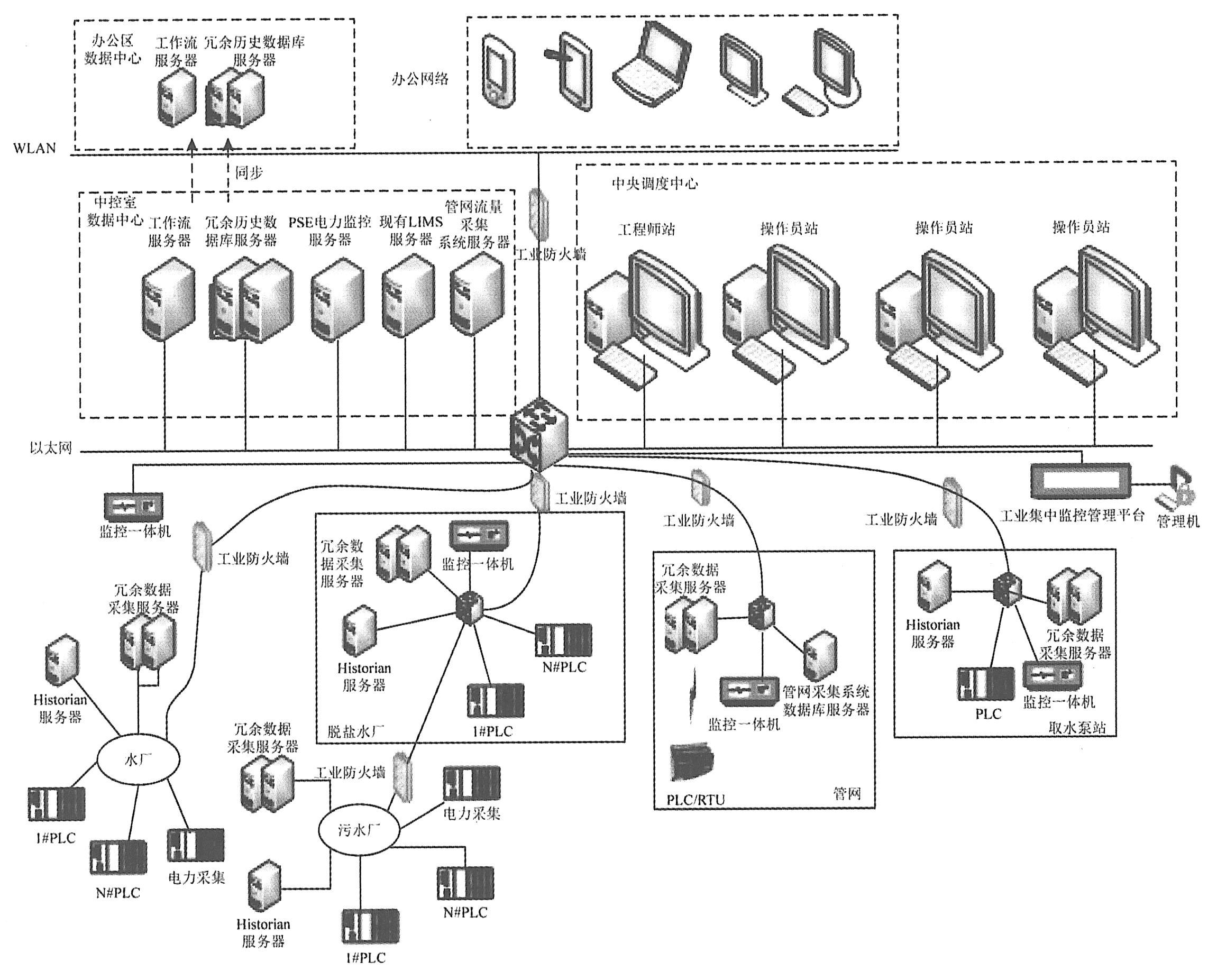
        本案例来自国家工业控制系统信息安全相关标准。水厂工控安全监管过程如下图所示。在工业交换机旁路部署工业集中监控管理平台,通过私有安全协议建立安全加密的长连接,实现对工业防火墙及工业监控设备的集中管理和监控。对异常行为、恶意代码攻击、威胁行为管理等可实现集中管理及预防。
        在工业以太网交换机及控制网交换机旁路部署ICS信息安全监控设备,实现网络结构风险和活动的即时可见,对网络中的可疑行为或攻击行为产生报警。同时,对网络通信行为进行翔实的审计记录,定期生成统计报表,可用于分析及展示。
        
        水厂工控安全监管示意图
 
 相关知识点:
 
软考在线指南
优惠劵及余额
在线支付
修改密码
下载及使用
购买流程
取消订单
联系我们
关于我们
联系我们
商务合作
旗下网站群
高级资格科目
信息系统项目管理师 系统分析师
系统架构设计师 网络规划设计师
系统规划与管理师
初级资格科目
程序员 网络管理员
信息处理技术员 信息系统运行管理员
中级资格科目
系统集成项目管理工程师 网络工程师
软件设计师 信息系统监理师
信息系统管理工程师 数据库系统工程师
多媒体应用设计师 软件评测师
嵌入式系统设计师 电子商务设计师
信息安全工程师
 

本网站所有产品设计(包括造型,颜色,图案,观感,文字,产品,内容),功能及其展示形式,均已受版权或产权保护。
任何公司及个人不得以任何方式复制部分或全部,违者将依法追究责任,特此声明。
本站部分内容来自互联网或由会员上传,版权归原作者所有。如有问题,请及时联系我们。


工作时间:9:00-20:00

客服

QQ 486577830

点击这里给我发消息

商务合作

QQ 486577830

点击这里给我发消息

客服邮箱service@rkpass.cn


京B2-20210865 | 京ICP备2020040059号-5 |京公网安备 11010502032051号 | 营业执照 | Copyright ©2000-2026 All Rights Reserved 软考在线版权所有