|
|
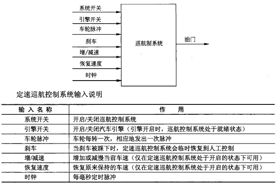
某公司欲开发一个车辆定速巡航控制系统,以确保车辆在不断变化的地形中以固定的速度行驶。该系统的简化示意图如下图所示。各种系统输入的含义见下表。
 公司的领域专家对需求进行深入分析后,将系统需求认定为:任何时刻,只要定速巡航控制系统处于工作状态,就要有确定的期望速度,并通过调整引擎油门的设定值来维持期望速度。 在对车辆定速巡航控制系统的架构进行设计时,公司的架构师王工提出采用面向对象的架构风格,而李工则主张采用控制环路的架构风格。在架构评估会议上,专家对这两种方案进行综合评价,最终采用了面向对象和控制环路相结合的混合架构风格。
|
|
|
|
问题:1.1
在实际的软件项目开发中,采用成熟的架构风格是项目成功的保证。请用200字以内的文字说明:什么是软件架构风格;面向对象和控制环路两种架构风格各自的特点。
|
|
|
|
问题:1.2
用户需求没有明确给出该系统如何根据输入集合计算输出。请用300字以内的文字针对该系统的增减速功能,分别给出两种架构风格中的主要构件,并详细描述计算过程。
|
|
|
|
问题:1.3
实际的软件系统架构通常是多种架构风格的混合,不同的架构风格都有其适合的应用场景。以该系统为例,针对面向对象架构风格和控制环路架构风格,各给出两个适合的应用场景,并简要说明理由。
|
|
|
|
|