免费智能真题库 > 历年试卷 > 系统架构设计师 > 2012年下半年 系统架构设计师 上午试卷 综合知识
  第3题      
  知识点:   文件的物理组织   磁盘   数据块   索引   文件系统
  关键词:   磁盘   间接地址   数据   文件系统        章/节:   操作系统       

 
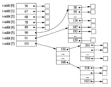
假设文件系统采用索引节点管理,且索引节点有8个地址项iaddr[0]〜iaddr[7],每个地址项大小为4B, iaddr[0]〜iaddr[4]采用直接地址索弓丨,iaddr[5]和iaddr[6]采用一级间接地址索引,iaddr[7]采用二级间接地址索引。假设磁盘索引块和磁盘数据块大小均为1KB字节,文件Filel的索引节点如下图所示。若用户访问文件Filel中逻辑块号为5和261的信息,则对应的物理块号分别为(3) ;101号物理块存放的是(4)。
 
 
  A.  89和90
 
  B.  89和136
 
  C.  58和187
 
  D.  90和136
 
 
 

  相关试题:操作系统          更多>  
 
  第2题    2010年下半年  
   39%

若操作系统文件管理程序正在将修改后的(2)文件写回磁盘时系统发生崩溃,对系统的影响相对较大。

  第48题    2025年上半年  
   0%
前趋图(Precedence Graph)是一个有向无环图,记为:→=(Pi.Pj)Pi must complete before Pj may start), 假设系统中进程P={P1, P2..
  第66题    2025年下半年  
   0%
某嵌入式实时操作系统采用了某种调度算法,当某任务执行接近自己的截止期(deadline)时,调度算法将把该任务的优先级调整到系统最..
   知识点讲解    
   · 文件的物理组织    · 磁盘    · 数据块    · 索引    · 文件系统
 
       文件的物理组织
        在文件系统中,文件的存储设备通常划分为若干个大小相等的物理块。文件的物理结构是指文件在存储设备上的存储方法,常用的文件物理结构有连续文件、串联文件和索引文件。
        (1)连续文件(顺序文件):连续文件是一种最简单的物理文件结构,它把一个在逻辑上连续的文件信息依次存放到物理块中。连续文件的优点是一旦知道文件在文件存储设备上的起始位置和文件长度,就能进行存取。连续文件适合于顺序存取,在连续存取相邻信息时,存取速度快。其缺点是在文件建立时必须指定文件的信息长度,以后不能动态增长,需要经常修改的文件一般不宜采用此方式存储。
        (2)串联文件(链接文件):串联文件用非连续的物理块来存放文件信息,这些物理块之间没有顺序关系,其中每个物理块设有一个指针,指向下一个物理块的地址,这样,所有的物理块都被链接起来,形成一个链接队列。串联文件的优点是可以解决存储器的碎片问题,提高存储空间利用率。由于串联文件只能按照队列中的链接指针顺序查找,因此搜索效率低,一般只适用于顺序访问,不适用于随机存取。
        (3)索引文件:索引文件是另一种对文件存储不连续分配的方法。为每个文件建立一张索引表,索引表中的每一表项指出文件信息所在的逻辑块号和与之对应的物理块号。索引文件既可以满足文件动态增长的要求,又可以方便而迅速地实现随机存取。对一些大的文件,当索引表的大小超过一个物理块时,会发生索引表的分配问题。一般采用多级(间接索引)技术,这时在由索引表指出的物理块中存放的是存放文件信息的物理块地址。这样,如果一个物理块能存储n个地址,则一级间接索引,将使可寻址的文件长度变成n2块,对于更大的文件可以采用二级甚至三级间接索引(例如,UNIX操作系统采用三级索引结构)。
        索引文件的优点是既适用于顺序存取,又适用于随机存取。缺点是索引表增加了存储空间的开销。另外,在存取文件时至少需要访问两次磁盘,一次是访问索引表,另一次是根据索引表提供的物理块号访问文件信息。为了提高效率,一种改进的方法是,在对某个文件进行操作之前,预先把索引表调入内存。这样,文件的存取就能直接从在内存的索引表中确定相应的物理块号,从而只需要访问一次磁盘。
 
       磁盘
        在磁表面存储器中,磁盘的存取速度最快,且具有较大的存储容量,是目前广泛使用的外存储器。磁盘存储器由盘片、驱动器、控制器和接口组成。盘片的两面用来存储信息。驱动器用于驱动磁头(读/写头)沿盘面作径向运动以寻找目标磁道位置,驱动盘片以额定速率稳定旋转,通常是5400~15000r/min(Revolution Per Minute,RPM),并且控制数据的写入和读出。控制器接收主机发来的命令,将它转换成磁盘驱动器的控制命令,并实现主机和驱动器之间数据格式的转换及数据传送,以控制驱动器的读/写操作。一个控制器可以控制一台或多台驱动器。接口是主机和磁盘存储器之间的连接逻辑。
        磁盘存储器也称为硬盘存储器。硬盘存储器具有存储容量大,使用寿命长,存取速度较快的特点。硬盘存储器的硬件包括硬盘控制器(适配器)、硬盘驱动器以及连接电缆。硬盘控制器(Hard Disk Controller,HDC)对硬盘进行管理,并在主机和硬盘之间传送数据。硬盘控制器以适配卡的形式插在主板上或直接集成在主板上,然后通过电缆与硬盘驱动器相连。硬盘驱动器(Hard Disk Drive,HDD)中有盘片、磁头、主轴电机(盘片旋转驱动机构)、磁头定位机构、读/写电路和控制逻辑等。
        为了提高单台驱动器的存储容量,在硬盘驱动器内使用了多个盘片,它们被叠装在主轴上,构成一个盘组;每个盘片的两面都可用作记录面,所以一个硬盘的存储容量又称为盘组容量。
        硬盘的接口方式可以说是硬盘另一个非常重要的技术指标,这点从SCSI硬盘和IDE硬盘的巨大差价就能体现出来,接口方式直接决定硬盘的性能。现在最常见的接口有IDE(ATA)和SCSI两种,此外还有一些移动硬盘采用了PCMCIA或USB接口。
        .IDE(Integrated Drive Electronics):IDE接口最初由CDC、康柏和西部数据公司联合开发,由美国国家标准协会(ATA)制定标准,所以又称ATA接口。普通用户家里的硬盘几乎全是IDE接口的。IDE接口的硬盘可细分为ATA-1(IDE)、ATA-2(EIDE)、ATA-3(Fast ATA-2)、ATA-4(包括UItraATA、Ultra ATA/33、Ultra ATA/66)与Serial ATA(包括Ultra ATA/100及其他后续的接口类型)。基本IDE接口数据传输率为4.1Mb/s,传输方式有PIO和DMA两种,支持总线为ISA和EISA。后来为提高数据传输率、增加接口上能连接的设备数量、突破528MB限制及连接光驱的需要,又陆续开发了ATA-2、ATAPI和针对PCI总线的FAST-ATA、FAST-ATA2等标准,数据传输率达到了16.67MB/s。
        .小型计算机系统接口(Small Computer System Interface,SCSI):SCSI并不是专为硬盘设计的,实际上它是一种总线型接口。由于独立于系统总线工作,所以它的最大优势在于其系统占用率极低,但由于其昂贵的价格,这种接口的硬盘大多用于服务器等高端应用场合。
 
       数据块
        如前所述,文件的逻辑结构一般是字节流,即无结构。用户程序可以在这种字节流的基础上,构造自己所需的各种数据结构。由于文件是存放在磁盘等存储设备当中,而这些设备的访问单元并不是字节。例如,在磁盘中,是以扇区为单元来进行读写操作的。因此,对于文件系统而言,必须将用户提交的这种字节流(一个连续的逻辑地址空间)映射为磁盘所需要的扇区。为了实现设备的独立性,通常的做法是把磁盘空间划分为一个个大小相同的块,称为物理块,每个物理块包含若干个连续的扇区。同时把文件的字节流也分成大小相同的逻辑块。然后在文件系统的内部,以块为单位来进行操作,把每一个逻辑块保存在一个物理块当中。
 
       索引
        在数据库系统中,索引是一种可选结构,其目的是提高数据访问速度。利用索引可提高用户访问数据的速度,或直接从索引中独立检索数据。如果对索引的配置和使用进行了优化,那么索引能大大降低数据文件的I/O操作并提高系统性能。
        但是在为一个表创建索引之后,Oracle将自动维护这个索引。当用户在表中插入、更新或删除记录时,系统将自动更新与该表相关的索引。一个表可以有任意数量的索引,但一个表的索引越多,用户在该表中插入、更新或删除记录时所造成的系统开销也越大。其原因是无论何时更新表,系统都必须更新与之相关的索引。
        索引是建立在表的一个或多个字段之上的。索引的作用大小取决于该字段或字段集的选择性。所谓选择性,是指索引能降低数据集中的程度。如果表中与某个索引相关的字段值各不相同,那么该索引就有很好的选择性。一个选择性很差的索引的例子,是基于字段值仅为true/false的字段创建的索引,因为表中很多记录该字段的字段值都相同。一个索引可能只能帮助管理员降低检索的记录数,而不能惟一地确定一条记录。例如:如果为一个表的LastName字段创建了一个索引,现在用户需要搜索John Smith,那么这个索引将返回LastName字段值为Smith的所有记录,因而用户还不得不在返回的记录中搜索含John的记录。索引的选择性越好,就越有助于降低返回记录的数量,从而提高数据访问速度。下面介绍有效创建和使用索引的技巧和方法。
        . 索引和降低系统处理的数据量。
        索引的主要作用之一就是降低系统处理的数据量。对CPU使用和等待完成I/O操作的时间上,I/O操作引起的系统开销都是非常昂贵的。降低I/O操作可提高系统性能和处理能力。如果不使用索引,那么为了找到特定的数据,系统将不得不扫描表中的所有数据。
        例如如下查询语句:
        
        如果不使用索引,系统必须扫描整个emp表并检查表中每条记录的employee_id字段的值。如果emp表很大,那么这个操作可能意味着数量巨大的I/O读写和很长的处理时间。
        如果为emp表的employee_id字段创建了索引,那么系统将遍历该索引并找到用户所查询记录的ID。找到记录ID之后,只需一条额外的I/O操作就能检索到用户所需的数据。
        用于说明这个问题的最好例子,是只需查找一条记录的情况。在表的每条记录中,类似employee_id这样的字段的值可能在整个表中都是惟一的。这意味着查询结果值返回一条记录,这种查询的效率是非常高的。
        在某些情况下,索引必须返回大量数据。如下面的例子:
        
        这个查询语句很可能返回大量数据,因为索引操作返回了大量记录的ID,并且系统必须独立访问这些记录的ID,所以这种情况下,不使用索引可能比使用索引的效率更高,直接进行表扫描可能效率更高。不同情况下,采用哪种查寻方法更好,很大程度上取决于表的数据量和组织形式。
        对于不同的数据,在某些情况下位图索引可能非常有用,而在另外一些情况下,使用位图索引可能没有任何好处。
        . 索引和更新。
        如果对表创建了索引,那么更新、插入和删除表中的记录都将导致额外的系统开销。在系统提交这些操作之前,系统将会更新所有与该表相关的索引。这可能需要花费很长时间,并额外增加一定的系统开销。
        . 在字段选择性很低的情况下适用索引。
        在某些情况下,表中的某些字段的选择性可能很低。开发人员没必要为所有表创建索引,实事上,在某些情况下索引引起的问题比解决的问题更多。在很多情况下,需要反复试验,才能确定一个索引是否有助于提高系统性能。
        但是,位图索引能在字段选择性不高的情况下工作得很好。一个位图索引可以和其他位图索引联合使用,以降低系统检索的数据集。对于某些值为true/false、yes/no或其他小范围数据的字段,建立位图索引是非常合适的。请记住:位图索引所占用的空间,是随着与该索引相关的字段的不同值的数量的增加而增加的。
        如果决定创建一个索引,那么确定为哪些字段创建索引是非常重要的。对于不同的表,可能会选择一个或多个字段创建索引。可使用如下方法来确定在哪些字段上创建索引:
        ①选择那些最常出现在where子句中的字段。经常被访问的字段最可能受益于索引。
        ②经常用于连接表的字段是创建索引的必然候选字段。
        ③必须注意索引导致的查询语句性能的提高与更新数据时性能的降低之间的平衡。
        ④经常被修改的字段不适合创建索引,其原因是,更新索引将增加系统开销。
        在某些情况下,使用复合索引的效率可能比使用简单索引的效率更高。下面的一些例子说明了应当在何种情况下使用复合索引。
        ①某两个字段单独来看都不具有惟一性,但结合在一起却有惟一性,那么这种情况下,复合索引将工作得很好。例如:A字段和B字段都几乎没有惟一性值,但绝大多数情况下,字段A和B的某个特定组合却具有惟一性特点。那么在检索数据时,可在where子句重视and操作符来将这两个字段连接在一起。
        ②如果select语句中的所有值都位于复合索引中,那么Oracle将不会检索表,而直接从索引中返回数据。
        ③如果多个查询语句的where子句中作为查询条件的字段都不相同,但返回的记录相同,那么应当考虑利用这些字段创建一个复合索引。
        在创建索引之后,开发人员应当定期利用SQL TRACE工具或EXPLAIN PLAN来察看用户查询是否充分利用了索引。很有必要花费一定精力来试验使用索引和未使用索引在效率上的差别,以判断索引所耗费资源是否物有所值。
        应该删除那些不经常使用的索引。可使用alter index monitoring usage语句来跟踪索引的使用情况。还可以从系统表all_indexes、user_indexes和dba_indexes中查询用户访问索引的频率。
        如果为一个不适合创建索引的字段或表创建了索引,那么这可能会导致系统能力的下降。而如果创建的索引合理,那么这将降低系统的I/O操作并加快访问速度,从而大大提高系统性能。
 
       文件系统
        由于计算机系统处理的信息量越来越大,所以不可能将所有的信息保存到主存中。特别是在多用户系统中,既要保证各用户文件存放的位置不冲突,又要防止任一用户对外存储器(简称外存)空间占而不用;既要保证各用户文件在未经许可的情况下不被窃取和破坏,又要允许在特定的条件下多个用户共享某些文件。因此,需要设立一个公共的信息管理机制来负责统一管理外存和外存上的文件。
        所谓文件管理系统,就是操作系统中实现文件统一管理的一组软件和相关数据的集合,专门负责管理和存取文件信息的软件机构,简称文件系统。文件系统的功能包括按名存取,即用户可以“按名存取”,而不是“按地址存取”;统一的用户接口,在不同设备上提供同样的接口,方便用户操作和编程;并发访问和控制,在多道程序系统中支持对文件的并发访问和控制;安全性控制,在多用户系统中的不同用户对同一文件可有不同的访问权限;优化性能,采用相关技术提高系统对文件的存储效率、检索和读/写性能;差错恢复,能够验证文件的正确性,并具有一定的差错恢复能力。
   题号导航      2012年下半年 系统架构设计师 上午试卷 综合知识   本试卷我的完整做题情况  
1 /
2 /
3 /
4 /
5 /
6 /
7 /
8 /
9 /
10 /
11 /
12 /
13 /
14 /
15 /
 
16 /
17 /
18 /
19 /
20 /
21 /
22 /
23 /
24 /
25 /
26 /
27 /
28 /
29 /
30 /
 
31 /
32 /
33 /
34 /
35 /
36 /
37 /
38 /
39 /
40 /
41 /
42 /
43 /
44 /
45 /
 
46 /
47 /
48 /
49 /
50 /
51 /
52 /
53 /
54 /
55 /
56 /
57 /
58 /
59 /
60 /
 
61 /
62 /
63 /
64 /
65 /
66 /
67 /
68 /
69 /
70 /
71 /
72 /
73 /
74 /
75 /
 
第3题    在手机中做本题