免费智能真题库 > 历年试卷 > 软件设计师 > 2014年下半年 软件设计师 上午试卷 综合知识
  第57题      
  知识点:   线性表   缺点
  关键词:   链表   顺序存储   线性表        章/节:   计算机软件知识       

 
对于线性表,相对于顺序存储,采用链表存储的缺点是()。
 
 
  A.  数据元素之间的关系需要占用存储空间,导致存储密度不高
 
  B.  表中结点必须占用地址连续的存储单元,存储密度不高
 
  C.  插入新元素时需要遍历整个链表,运算的时间效率不高
 
  D.  删除元素时需要遍历整个链表,运算的时间效率不高
 
 
 

  相关试题:计算机软件知识          更多>  
 
  第52题    2013年上半年  
   21%
设元素序列a,b,c,d,e,f经过初始为空的栈S后,得到出栈序列cedfba,则栈S的最小容量为 (52)。
  第57题    2018年上半年  
   35%
设有n阶三对角矩阵A,即非零元素都位于主对角线以及与主对角线平行且紧邻的两条对角线上,现对该矩阵进行按行..
  第20题    2015年下半年  
   33%
编译器和解释器是两种基本的高级语言处理程序。编译器对高级语言源程序的处理过程可以划分为词法分析、语法分析、语义分析、中间..
   知识点讲解    
   · 线性表    · 缺点
 
       线性表
               线性表的定义
               线性表是n个元素的有限序列,通常记为(a1,a2,…,an)。其特点如下。
               .存在唯一的一个称为"第一个"的元素。
               .存在唯一的一个称为"最后一个"的元素。
               .除了表头外,表中的每一个元素均只有唯一的直接前驱。
               .除了表尾外,表中的每一个元素均只有唯一的直接后继。
               线性表的存储结构
               1)顺序存储
               线性表的顺序存储是用一组地址连续的存储单元依次存储线性表中的数据元素,从而使得逻辑关系相邻的两个元素在物理位置上也相邻。在这种存储方式下,存储逻辑关系无须占用额外的存储空间。其优点是可以随机存取表中的元素,缺点是插入和删除操作需要移动大量的元素。
               一般地,在线性表的顺序存储结构中,第i个元素ai的存储位置为
               LOC(ai)=LOC(a1)+(i-1)×L
               式中,LOC(a1)为表中第一个元素的存储位置;L为表中每个元素所占空间的大小。
               2)链式存储
               线性表的链式存储是指用节点来存储数据元素,节点的空间可以是连续的,也可以是不连续的,因此存储数据元素的同时必须存储元素之间的逻辑关系。节点空间只有在需要的时候才申请,无须事先分配。最基本的节点结构如下图所示。
               
               最基本的节点结构
               其中,数据域用于存储数据元素的值,指针域则存储当前元素的直接前驱或直接后继信息,指针域中的信息称为指针(链)。n个节点通过指针连成一个链表,若节点中只有一个指针域,则称为线性链表(单链表)。
               线性表采用链表作为存储结构时,不能进行数据元素的随机访问,但其优点是插入和删除操作不需要移动元素。以下是几种其他链表结构。
               (1)双向链表。每个节点包含两个指针,指明直接前驱和直接后继元素,可在两个方向上遍历链表。
               (2)循环链表。表尾节点的指针指向表中的第一个节点,可在任何位置上开始遍历整个链表。
               (3)静态链表。借助数组来描述线性表的链式存储结构。
               在链式存储结构中,只需要一个指针(头指针)指向第一个节点,就可以顺序访问到表中的任意一个元素。为了简化对链表状态的判定和处理,特别引入一个不存储数据元素的节点,称为头节点,将其作为链表的第一个节点并令头指针指向该节点。
               线性表的插入和删除运算
               1)基于顺序存储结构的运算
               插入元素前要移动元素以挪出空的存储单元,然后再插入元素;删除元素时同样需要移动元素,以填充被删除的存储单元。在等概率下平均移动元素的次数分别是
               
               2)基于链式存储结构的运算
               在链式存储结构下进行插入和删除,其实质都是对相关指针的修改。
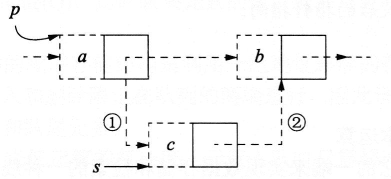
               (1)在单向链表中插入节点时,指针的变化情况如下图所示。
               
               单向链表插入节点时的指针变化情况
               (2)在单向链表中删除节点时,指针的变化情况如下图所示。
               
               单向链表删除节点时的指针变化情况
               (3)在双向链表中插入节点时,指针的变化情况如下图所示。
               
               双向链表插入节点时的指针变化情况
               (4)在双向链表中删除节点时,指针的变化情况如下图所示。
               
               双向链表删除节点时的指针变化情况
               注意:以上3图中①为插入运算前的指针走向;②为插入运算后的指针走向;虚线为插入后的指针指向。
 
       缺点
        包过滤路由器的缺点:
        (1)配置困难。因为包过滤防火墙很复杂,人们经常会忽略建立一些必要的规则,或错误配置了已有的规则,在防火墙上留下漏洞。然而在市场上,许多新版本的防火墙对这个缺点正在作改进,如开发者实现了基于图形化用户界面的配置和更直接的规则定义。
        (2)为特定服务开放的端口存在着危险,可能会被用于其他传输。例如,Web服务器默认端口为80,当计算机上又安装了RealPlayer,软件会自动搜寻可以允许连接到RealAudio服务器的端口,而不管这个端口是否被其他协议所使用,这样无意中RealPlayer就利用了Web服务器的端口。
        (3)可能还有其他方法绕过防火墙进入网络,如拨入连接。但这个并不是防火墙自身的缺点,而是不应该在网络安全上单纯依赖防火墙的原因。
        总的来说,包过滤路由器有维护困难、不支持用户鉴别的缺点。
   题号导航      2014年下半年 软件设计师 上午试卷 综合知识   本试卷我的完整做题情况  
1 /
2 /
3 /
4 /
5 /
6 /
7 /
8 /
9 /
10 /
11 /
12 /
13 /
14 /
15 /
 
16 /
17 /
18 /
19 /
20 /
21 /
22 /
23 /
24 /
25 /
26 /
27 /
28 /
29 /
30 /
 
31 /
32 /
33 /
34 /
35 /
36 /
37 /
38 /
39 /
40 /
41 /
42 /
43 /
44 /
45 /
 
46 /
47 /
48 /
49 /
50 /
51 /
52 /
53 /
54 /
55 /
56 /
57 /
58 /
59 /
60 /
 
61 /
62 /
63 /
64 /
65 /
66 /
67 /
68 /
69 /
70 /
71 /
72 /
73 /
74 /
75 /
 
第57题    在手机中做本题